首页
关于我们
公司概况
企业文化
发展历程
企业荣誉
公司架构
核心产品
全自动玻璃盖板印刷系
全自动烘烤炉系列
3D玻璃全制程系列
其他
新闻中心
公司动态
行业资讯
视频中心
投资者关系
实时行情
公告
信息披露
招贤纳士
员工福利
招贤纳士
投送简历
江南电子·(中国)官方网站
EN
/
中文
语言
导航
EN
中文
首页
关于我们
公司概况
企业文化
发展历程
企业荣誉
公司架构
核心产品
全自动玻璃盖板印刷系
全自动烘烤炉系列
3D玻璃全制程系列
其他
新闻中心
公司动态
行业资讯
视频中心
投资者关系
实时行情
公告
信息披露
招贤纳士
员工福利
招贤纳士
投送简历
江南电子·(中国)官方网站
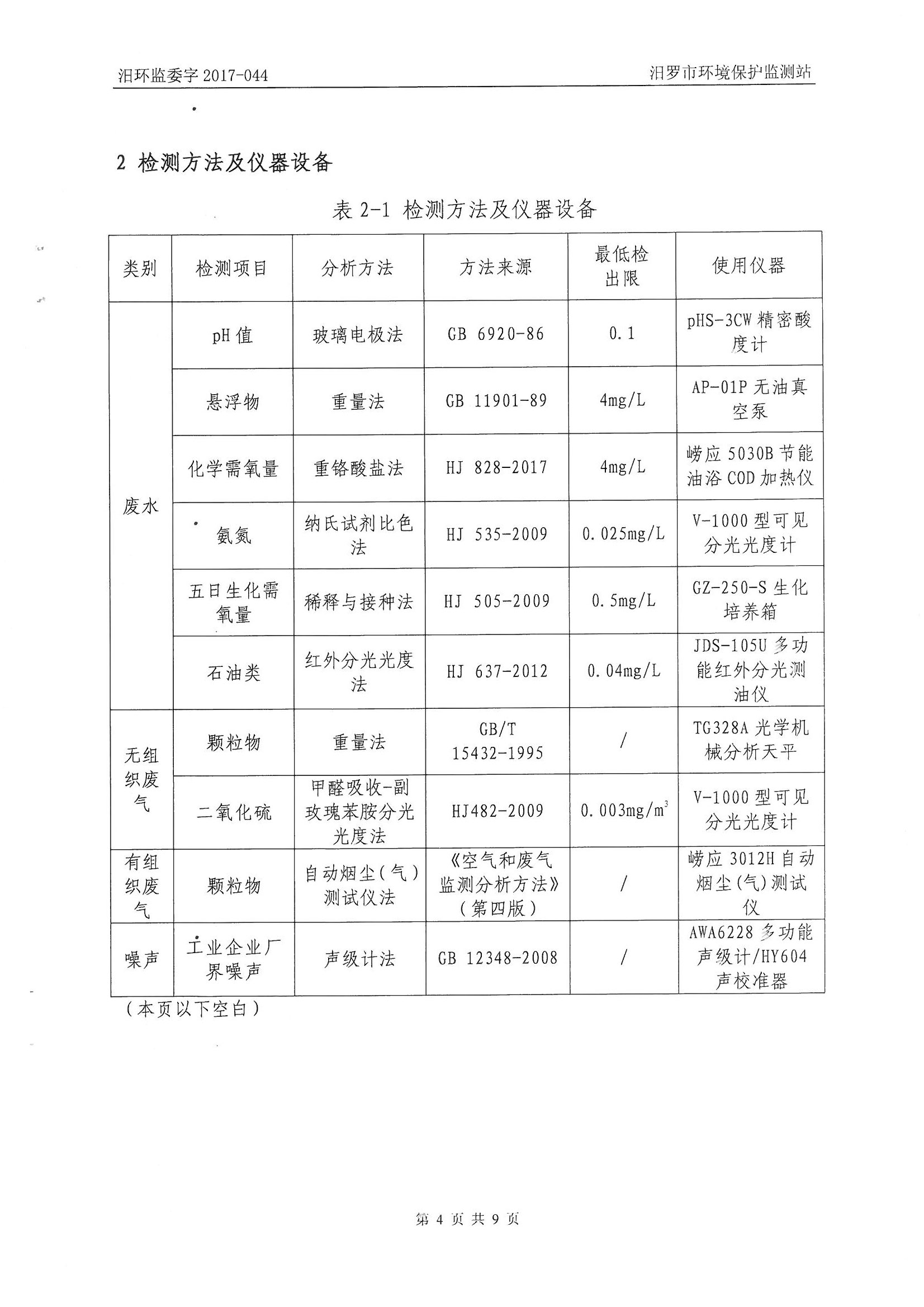
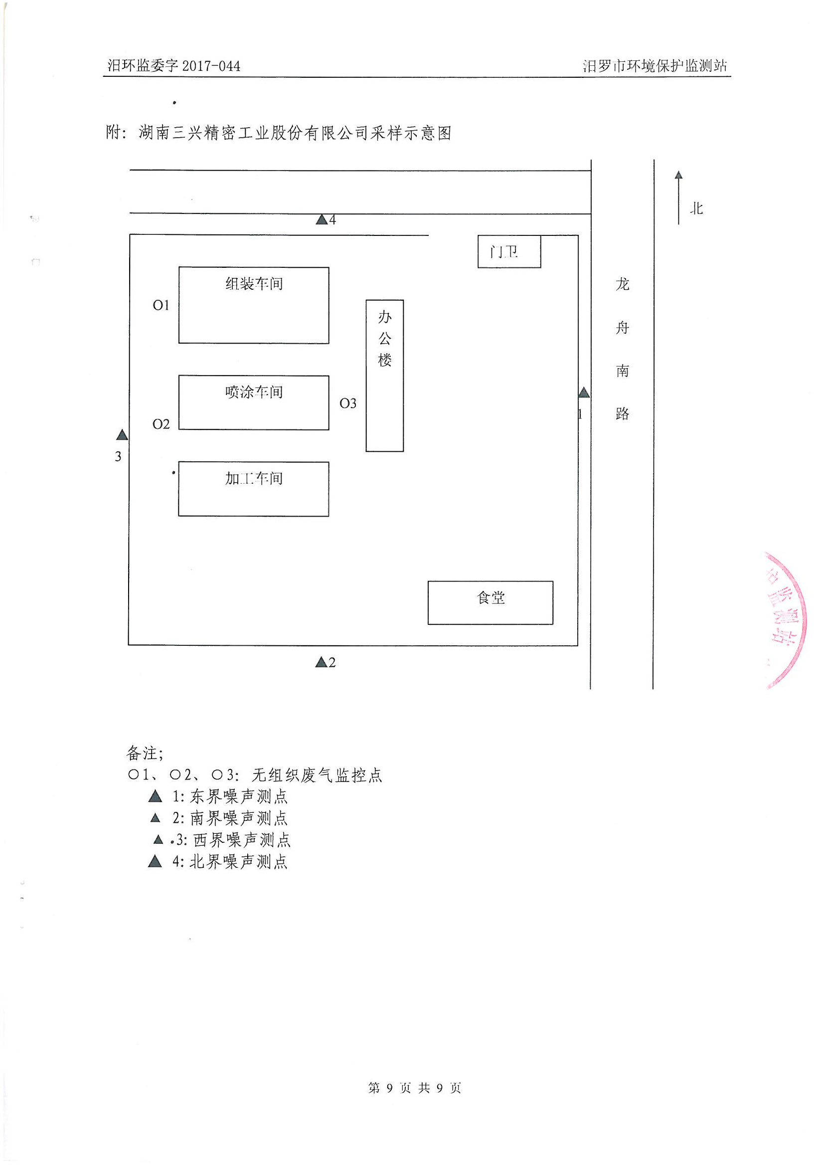
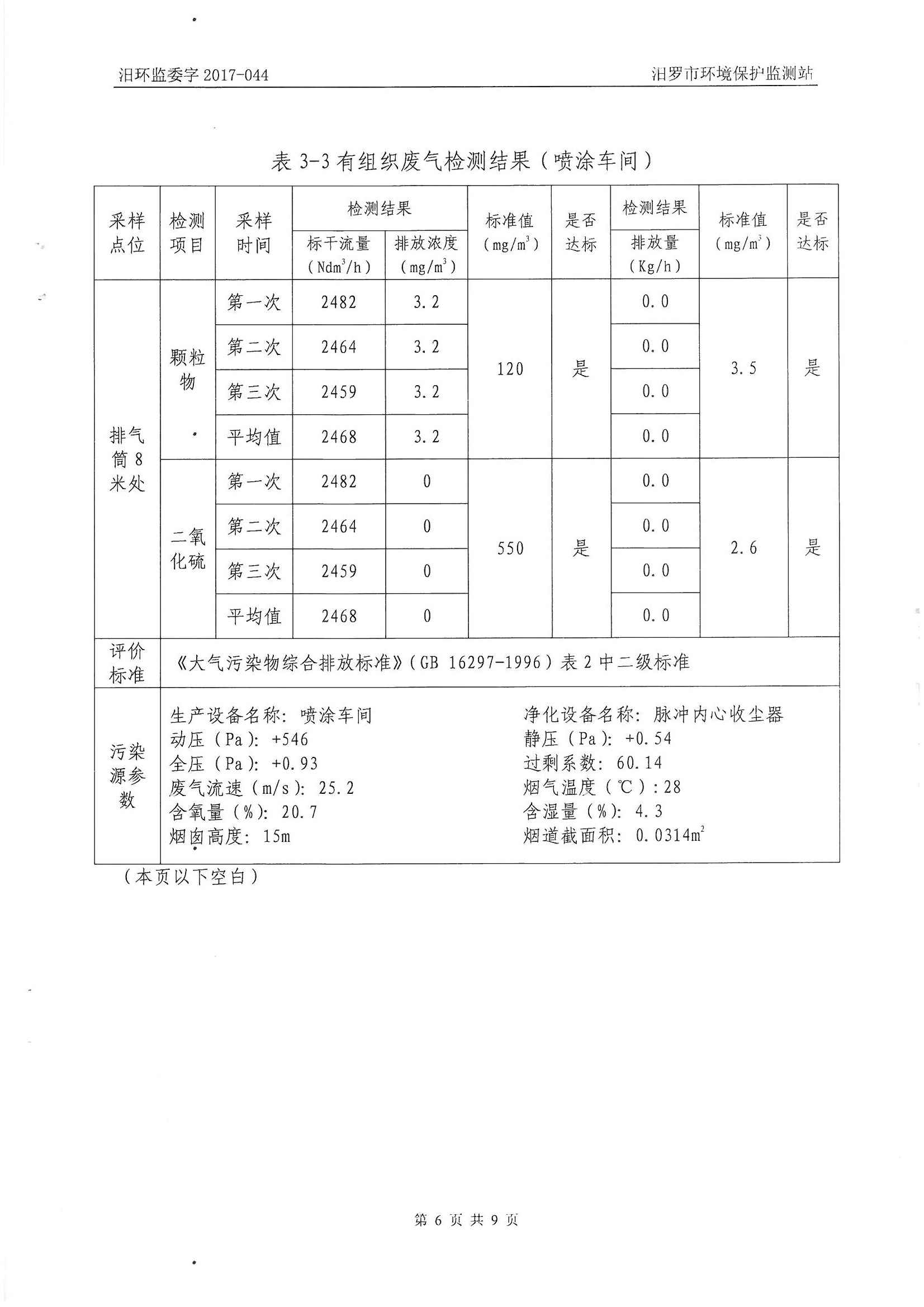
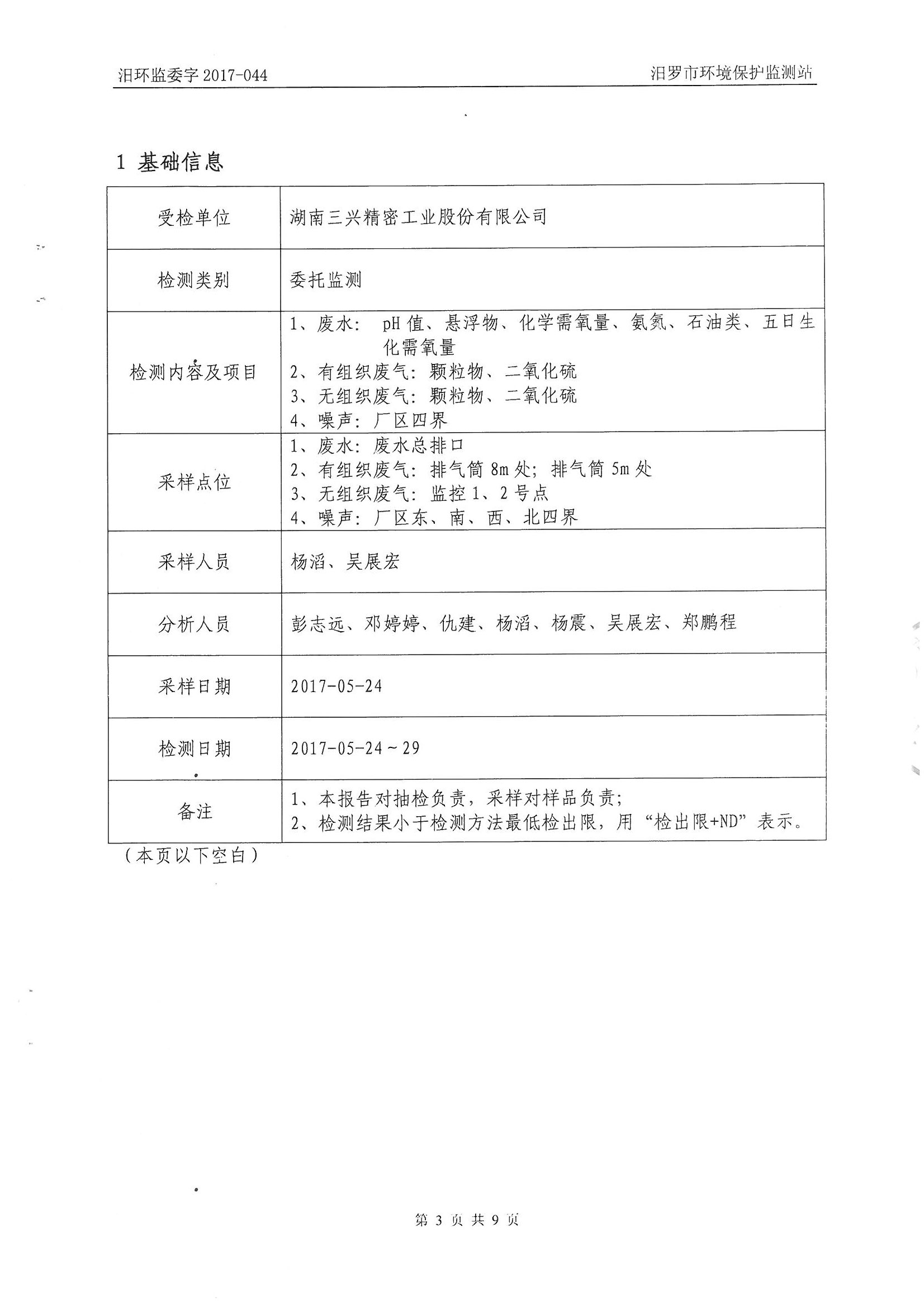
江南电子·(中国)官方网站环保监测报告
所属分类:
公司动态
发布时间:
2017-08-22
分享到:
Copyright © 2014-2016 江南电子·(中国)官方网站 版权所有 湘ICP备17016185号 执照认证链接
关闭
开云平台客服_专业服务窗口
|
BB平台_BB(中国)一站式服务平台
|
MK网官方站网页版
|
开云真人·(中国)健身公司
|
米兰在线平台
|
万搏体育
|
九游平台_九游(中国)
|
开云手机官方登录(中国)
|
乐鱼线上平台(集团)官方网站
|